一、概述气动三片式卡箍球阀产品概述
气动三片式卡箍球阀是由角行程的气动执行机构和球阀组成,适用于两位切断和调节的场合。气动卡箍球阀阀体与执行机构的连接采用直连方式。
气动三片式卡箍球阀 产品特点
1.动作时间快,输出稳定,可靠性高。
2.结构简单、体积小、重量轻。
3.配套简单,流通能力大。
气动三片式卡箍球阀 适用场景
气动卡箍式三片式球阀特别适合于介质是粘稠,含颗粒,纤维性质的场合。广泛应用于食品,环保,轻工,石油,造纸,化工,教学和科研设备,电力等行业的工业控制场合。
技术参数和性能

主要零件材质
连接方式 | 卡箍连接 |
零件名称 | 阀体阀盖 | | CF8(304) | CF8M(316) |
球体、阀杆 | | 0Cr19Ni9 | OCr17Ni12Mo2 |
密封圈、填料 | 聚四氟乙烯 |
适用工况 | 适用介质 | | 硝酸等腐 蚀性介质 | 醋酸等腐 蚀介质 |
适用温度 | -30~150 |
| | | | | | |
附 件(根据要求配置)
电磁阀,空气过滤减压阀,手轮机构,限位开关,阀位传送器,气动加速器,保位阀,其它。
二、整机工作原理
当把手轮机构打到自动档的情况下,执行机构上的电磁阀接收到信号后,压缩空气进入活塞式执行机构气缸,从而推动活塞移动,活塞上的连杆带动执行机构主轴旋转,主轴上的连接套带动连接轴,阀杆,球芯旋转,使阀打开或关闭,从而完成对介质通、断的控制。在把手轮机构打到手动控制时,可以手动控制阀的开启、关闭和调节,当阀芯转到你所期望的开度时,手轮机构实现自锁。
电磁阀:配二芯线一根
限位开关:配四芯线一根
三、 卫生级气动球阀是由气动角行程执行器与卫生级球阀装配组成。亦称气动卡箍球阀,皆经过了精密的检验流程和严格的品质管理,流道经过精密抛光和除菌处理,采用了全包的F4密封,没有死角且容易清洗。卫生级气动球阀阀体采用不锈钢精制而成,流道内壁0.5um(240Grit)电子抛光,保持流体畅通无阻。密封面采用的全包PTFE没有死角,保证卫生。气动卡箍球阀广泛应用于啤酒工程、食品工程、化学工程、制药工程、生物工程和水处理工程等领域。
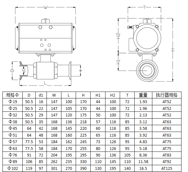
连接尺寸及重量

四、订购须知
1. 请在订货时提供详细口径规格、交货地地、交货时间。
2. 根据管道需要,决定选用往复式(二位开关式)或弹簧复位式(常闭或常开式)。
3. 可选配控制附件: (1)单电控电磁阀(断电进常闭或常开),(2)双电控电磁阀(开关式),(3)阀位开关回讯器,(4)气源处理三联件。特殊使用环境(易燃易爆场合),何选防爆型。