产品概述
NBZCS系列电磁阀适用于以水或液体为工作介质,可自动化控制或远程控制水、油、液体等工作介质管路的通断。 NBZCS电磁阀采用橡胶密封,故对工作介质的清洁度大大降低,具有启闭迅速,可靠性高流通量大,密封性好,体积轻巧,实用性强等特点;可用于石油化工、电力装备、医药设备、污水处理、暖通空调、清洗设备、灌装计量、通风设施、食品工业、给水排水系统等。
产品特点
(1)外漏堵绝,内漏易控,使用安全。内外泄漏是危及安全的要素。其它自控阀通常将阀杆伸出,由电动、气动、液动执行机构控制阀芯的转动或移动。这都要解决长期动作阀杆动密封的外泄漏难题;唯有电磁阀是用电磁力作用于密封在电动调节阀隔磁套管内的铁芯完成,不存在动密封,所以外漏易堵绝。电磁阀的结构型式容易控制内泄漏,直至降为零。所以,电磁阀使用特别安全,尤其适用于腐蚀性、有毒或高低温的介质。
(2)系统简单,便接电脑,价格低廉。电磁阀本身结构简单,价格也低,比起调节阀等其它种类执行器易于安装维护。更显著的是所组成的自控系统简单得多,价格要低得多。由于电磁阀是开关信号控制,与工控计算机连接十分方便。在当今电脑普及,价格大幅下降的时代,电磁阀的优势就更加明显。
(3)动作快递,功率微小,外形轻巧。电磁阀响应时间可以短至几个毫秒,即使是先导式电磁阀也可以控制在几十毫秒内。由于自成回路,比之其它自控阀反应更灵敏。设计得当的电磁阀线圈功率消耗很低,属节能产品;还可做到只需触发动作,自动保持阀位,平时一点也不耗电。电磁阀外形尺寸小,既节省空间,又轻巧美观。
(4)调节精度受限,适用介质受限。电磁阀通常只有开关两种状态,阀芯只能处于两个极限位置,不能连续调节,所以调节精度还受到一定限制。
电磁阀对介质洁净度有较高要求,含颗粒状的介质不能适用,如有杂质须先滤去。另外,粘稠状介质不能适用,而且,特定的产品适用的介质粘度范围相对较窄。
(5)型号多样,用途广泛。
技术参数
| 公称通径(mm) | 10~500 |
| 公称压力(MPa) | 1.0 |
| 工作压差(MPa) | 蒸汽、水、油(粘度≤4°) |
| 介质温度(℃) | -29~80 |
| 作用方式 | 常开 常闭 |
| 使用条件 | 普通 防爆 |
| 功率(W) | 4~35 |
| 电压 | 220VAC(其它可订制) |
| 阀体材质 | HT200 WCB CF8 |
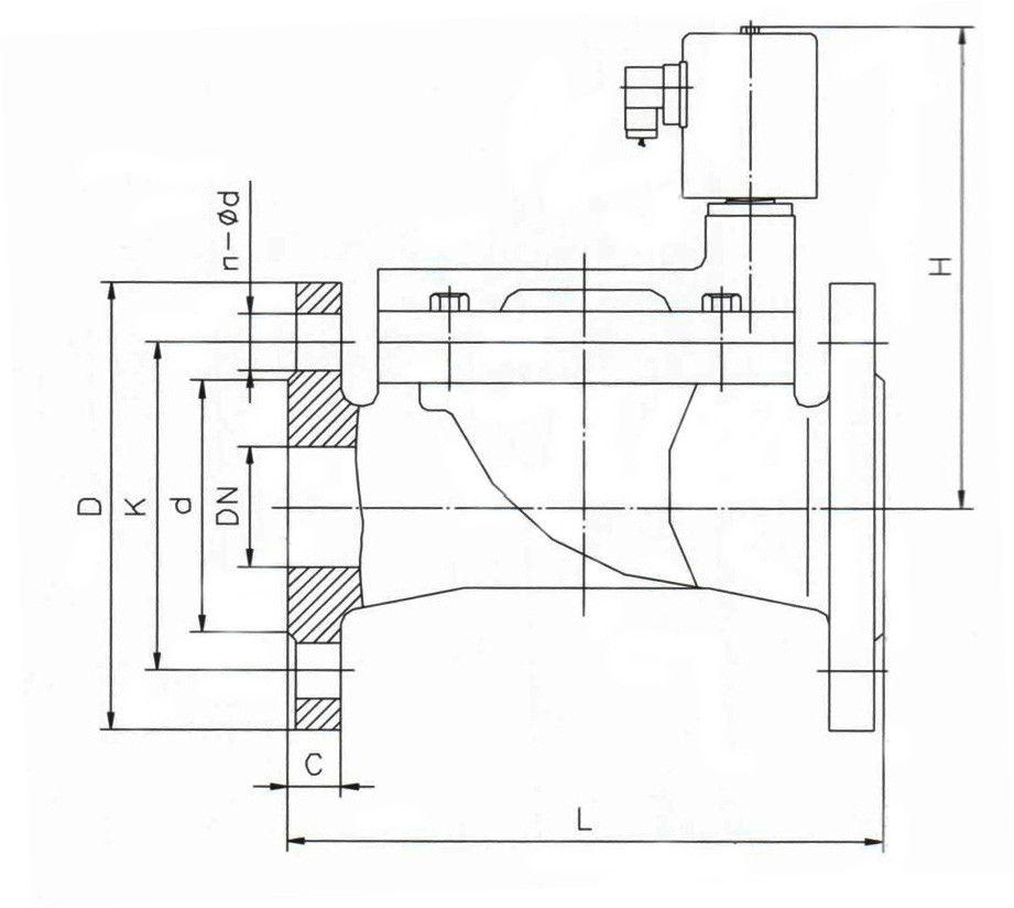
外形尺寸

| DN | H | L | D | K | d | C | n-φd |
| 10 | 125 | 130 | 90 | 60 | 41 | 14 | 4-14 |
| 15 | 125 | 140 | 95 | 65 | 46 | 14 | 4-14 |
| 20 | 125 | 150 | 105 | 75 | 56 | 16 | 4-14 |
| 25 | 130 | 160 | 116 | 85 | 65 | 16 | 4-14 |
| 32 | 137 | 180 | 140 | 100 | 76 | 18 | 4-19 |
| 40 | 152 | 200 | 150 | 110 | 84 | 18 | 4-19 |
| 50 | 164 | 230 | 165 | 125 | 99 | 20 | 4-19 |
| 65 | 222 | 290 | 185 | 145 | 118 | 20 | 4-19 |
| 80 | 253 | 310 | 200 | 160 | 132 | 22 | 8-19 |
| 100 | 260 | 350 | 220 | 180 | 156 | 24 | 8-19 |
| 125 | 315 | 400 | 250 | 210 | 184 | 26 | 8-19 |
| 150 | 350 | 480 | 285 | 240 | 211 | 26 | 8-23 |
| 200 | 390 | 600 | 340 | 295 | 266 | 26 | 8-23 |
| 250 | 430 | 730 | 395 | 350 | 319 | 28 | 12-23 |
| 300 | 480 | 850 | 445 | 400 | 370 | 28 | 12-23 |
| 350 | 555 | 980 | 505 | 460 | 429 | 30 | 16-23 |
| 400 | 630 | 1100 | 565 | 515 | 480 | 32 | 16-28 |
| 450 | 705 | 1200 | 615 | 565 | 530 | 32 | 20-28 |
| 500 | 780 | 1250 | 670 | 620 | 582 | 34 | 20-28 |